鋼包透氣磚是鋼水精煉底吹氬工藝中最關鍵的功能性元件,其使用條件非常苛刻。鋼包透氣磚按組裝方式可分為內裝式整體透氣磚和外裝式透氣磚組合兩種,其透氣磚芯均需配套座磚進行保護。目前座磚普遍采用澆注成型,經養護、干燥和烘烤后直接使用。座磚在使用過程中主要經受以下作用:(1)座磚工作面反復受急冷急熱作用,容易導致座磚斷裂和剝落;(2)受到鋼水及渣的侵蝕、滲透;(3)受到高溫鋼水強烈的沖刷及磨損。因此,要求座磚應具有高的強度、好的抗熱震性和優良的康渣侵蝕性能。
座磚在使用過程中經常出現裂紋、恒斷裂和掉塊現象,嚴重影響其使用壽命,改善其抗熱震性是提高其使用壽命的重要途徑。目前,透氣磚方面的研究較多,而座磚方面研究不多。在本工作中,研究了水泥加入量對剛玉-尖晶石質鋼包透氣磚座磚性能的影響,期望提高透氣磚座磚的使用壽命,增強其安全系數,滿足煉鋼廠的使用要求。

1 試驗
1.1 原料
以板剛玉顆粒(6~3、3~1、≤1mm)為骨料,板狀剛玉粉(≤0.074mm)、燒結尖晶石粉(≤0.074mm)、活性α-Al2O3微粉為細粉,純鋁酸鈣水泥為結合劑,聚丙烯纖維、偶氮甲酰胺、碳酸氫鈉及復合防爆劑聚丙烯纖維+碳酸氫鈉等為防爆劑。原料的化學組成見表1。
表1 主要原料化學組成

1.2 試驗過程
將原料按表2配比稱量,干混均勻后,加入減水劑和適量水,用攪拌機充分攪拌均勻后,振動成型后160mm×40mm×40mm的試樣,自然養護24h后脫模。脫模后自然干燥24h,再在110℃干燥24h,然后在高溫試驗爐內于1560℃保溫3h。
表2 試樣的配比

1.3 性能測試
按照YB/T5200-1993檢測試樣的顯氣孔率,按照YB/T5201-1993檢測試樣的常溫抗折強度和耐壓強度,按照YB/T5203-93檢測試樣的線變化率。
將1560℃燒后試樣經1100℃水冷3次后,測量其殘余抗折強度并計算其強度保持率,以此來評價試樣的抗熱震性。
試樣經振動成型為50mm×50mm×50mm的樣塊,試驗爐膛尺寸不小于350mm×150mm×150mm,試驗爐預先升到設定溫度400、600、800℃,并均保溫30min。將脫模后的試樣成型面朝上迅速放入試驗爐內,立即關閉爐門保溫30min,觀察其抗爆裂性。
2 結果與討論
2.1 水泥加入量對試樣常溫性能的影響
圖1示出了不同溫度處理后各試樣的顯氣孔率。從圖1可以看出,隨著水泥加入量的增加,110℃干燥后顯氣孔率略有降低,其原因為隨水泥加入量的增加其水化量也增加,而水泥水化是體積增加的反應,水泥水化體積增加從而填充了氣孔;隨水泥加入量、(w)從2%增加到6%,1560℃燒后試樣的顯氣孔率明顯增加,從12.5%增加到18.9%,水泥為6%(w)時顯氣孔率最大,繼續增大水泥加入量時,顯氣孔率略有降低。

圖1 不同溫度處理后各試樣的顯氣孔率
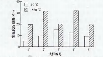
圖2、圖3分別示出了不同溫度處理后各試樣的常溫抗折強度和耐壓強度。從圖2、圖3可以看出,隨著水泥加入量的增加,110℃干燥后常溫抗折強度及耐壓強度逐漸增加,強度增加是由于水化量增加,導致膠結強度增加;1560℃燒后常溫抗折強度及耐壓強度先增加后降低,然后再增加,在水泥加入量6%(w)時最低,分析原因認為隨著水泥加入量的增加,形成了板狀CA6增加了強度,但同時伴隨著體積變化又破壞強度,在相互作用之間形成強度變化,特別是在水泥加入量達到6%(w)時體積發生最大變化,對強度的影響也最大。

圖2 不同溫度處理后各試樣的常溫抗折強度

圖3 不同溫度處理后各試樣的常溫耐壓強度
圖4示出了水泥加入量對1560℃燒后線試樣變化率的影響。從圖4可以看出,水泥加入量(w)從2%增加到4%時,1560℃燒后試樣的線變化率略有降低,水泥加入質量分數從4%增加到6%時線變化率顯著增加,從微收孔(-0.35%)顯著膨脹(1.620%);水泥加入量超過6%(w)時線變化又逐漸減小。
總的來說,隨著水泥加入量的增加,試樣的常溫強度先增加后略有降低,顯氣孔率和線變化明顯增加。水泥加入質量分數為6%時,試樣的顯氣孔率和線變化率最大,常溫強度最低。主要因為水泥加入質量分數為6%時,1560℃燒后試樣中生成的六鋁酸鈣(CA6)量最大,導致試樣的體積明顯膨脹,顯氣孔率增加,強度下降,當水泥加入質量分數超過6%時,多余的CaO可與剛玉顆粒反應形成CA6或二鋁酸鈣(CA6),致使其膨脹量下降。
2.2 水泥加入量對試樣抗熱震性的影響
圖5示出了水泥加入量對1560℃燒后試樣抗熱震性的影響。

圖5 水泥加入量對1560℃燒后試樣抗熱震性的影響
從圖5可以看出,隨著水泥加入量的增加,經1100℃水冷3次后試樣的抗折強度保持率逐漸增加,試樣的抗熱震性得到改善;水泥加入質量分數為10%時,熱震后強度保持率最大。抗熱震性得到改善的原因與水泥加入量增加后所形成的CA6含量和顯微形貌有關,反應生成的板片狀CA6能夠提高試樣的抗熱震性。
2.3 不同防爆劑對試樣抗爆裂性能的影響
將原料按表2配比稱量,原料配比相同的情況下分別加入質量分數為0.03%聚丙烯纖維、0.05%偶氮甲酰胺、0.05%磷酸氫鈉及0.02%聚丙烯纖維+0.04%碳酸氫鈉,脫模后試樣的抗爆裂試驗結果見表3。從表3可以看出,單獨添加聚丙烯纖維的試樣,水泥加入量(w)≥6%(3#、4#、5#試樣)時400℃爆裂,添加偶氮甲酰胺的試樣沒有爆裂,600℃時試樣表面有裂紋,800℃試樣有明顯裂紋;采用碳酸氫鈉及復合防爆劑聚丙烯纖維+碳酸氫鈉的試樣,溫度為800℃沒有爆裂和裂紋出現,表明采用聚丙烯纖維+碳酸氫鈉復合對試樣的防爆效果最佳。

表3 不同防爆劑對試樣康爆裂性的影響
實際工業生產中,烘烤后座磚成品率由原來的60%提高到98.5%。采用水泥加入量(w)6%~10%、添加了復合防爆劑的高純剛玉尖晶石底吹氬透氣磚座磚在某大型鋼廠150t轉爐鋼包上進行了批量試驗,使用壽命由原來的平均31次提高到平均36次,取得了較好的效果。
3 結論
(1)隨著水泥加入量的增加,110℃干燥后試樣的常溫抗折強度及耐壓強度逐漸增加;1560℃燒后試樣的常溫抗折強度及耐壓強度先增加后降低,然后再增加,燒后線變化率先增加后降低。水泥加入量6%(w)時強度最低。顯氣孔率和燒后線變化率最大,其性能最差。
(2)隨著水泥加入量的增加,1100℃水冷3次熱震后,1560℃燒后試樣的強度保持率逐漸增加,抗熱震性得到改善,水泥加入質量分數為10%時抗熱震性最好。
(3)添加防爆劑試樣的抗爆裂性能得到明顯改善,尤其采用碳酸氫鈉或碳酸氫鈉+聚丙烯有機纖維復合的防爆劑抗爆裂效果最好。
(4)采用水泥加入量6%~10%(w)、添加復合防爆劑的高純剛玉尖晶石底吹氬透氣磚的壽命由原來的平均31次提高到平均36次。