某公司兩條5000t/d生產線的窯口澆注料使用壽命短,窯口護鐵端面澆注料剝落嚴重,影響了窯口護鐵的使用壽命,每年都需要更換一次窯口護鐵,既影響窯系統的安全穩定運轉,又帶來巨大的經濟損失。為此,技術人員及耐火材料廠家對窯口澆注料的施工方案進行了改進,取得了很好的效果。
錨固件及膨脹縫的改進
改進的原因
原窯口錨固件為V形錨固件,材質為Cr25Ni20,錨固件的下端直接焊接在窯口筒體上,錨固件底部焊接處接觸面積小;耐熱鋼焊條與窯口擋磚圈2及窯筒體的材質(Q235-C)不符;每3塊窯口護鐵預留一條膨脹縫,膨脹縫設置過少。上述原因造成窯口澆注料發生剝落炸裂的現象,嚴重影響其正常使用壽命。
改進措施
窯口錨固件材質不變,改用U形錨固件穿過50mmx50mmx10mm的圓孔座,并以此底座作為焊接板,焊接在窯口上。錨固件和底座的配合有以下幾種: 窯口護鐵端面焊接的Ⅲ型錨固件為Φ8mmxl00mm波浪形錨固件,其底座材質為耐熱鋼,用A402焊條焊接;窯口護鐵工作面的Ⅱ型錨固件為Φ8mmx220mm錨固件,其底座材質為耐熱鋼,用A402焊條焊接;擋磚圈2上錨固件為Φ8mmx220mm錨固件,底座材質是Q235-C,用普通焊條焊接;窯筒體上Ⅰ型錨固件為Φ8mmx250mm錨固件,底座材質是Q235-C,用普通焊條焊接,改進后窯口錨固件的形式與焊接見圖1。
圖1 改進后窯口錨固件的形式與焊接
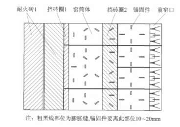
改進后,窯口澆注料膨脹縫的設置如圖2所示,在耐火磚1和澆注料之間必須設置膨脹縫,每兩塊窯口護鐵間均設置膨脹縫,消除澆注料在升溫過程中產生的膨脹應力。

圖2 改進后膨脹縫的設置
窯口護鐵端面澆注料施工方案的改進
改進的原因
原窯口護鐵工作面澆注料(厚度300mm)和端面澆注料(厚度120mm)是同步澆筑,沒有設置膨脹縫,窯運行一段時間后,窯口端面澆注料剝落特別嚴重,窯口護鐵端面長期暴露在高溫氣體中,受到熱腐蝕,最后危及到窯口筒體。
改進措施
在圖1所示位置加一層膨脹縫,以消除窯口護鐵端面澆注料和工作面澆注料在高溫運行中產生的膨脹應力,避免澆注料開裂、剝落,提高其使用壽命。
窯口護鐵如果有備件可以提前對端面澆注料進行澆筑、養護、烘烤,這樣澆注料就可以有更充足的養護時間,在檢修期間更換的窯口護鐵也可以提前澆筑端面,這樣交替使用,可以很好地保護窯口護鐵。
窯口周圍直墻澆注料施工方案的改進
改進的原因
我公司窯口周圍直墻澆注料原厚度為250mm,在窯冷態的情況下,窯口護鐵周圍直墻完全在澆注料保護之中,但在熱態的情況下,窯口護鐵下面及直墻經常暴露在高溫氣體中,易腐蝕變薄、損壞,最后掉落,進而波及到窯口端面澆注料及窯口筒體。
改進措施
2011年1月中修時重新設計了窯口周圍直墻澆注料的施工方案,以延長窯口護鐵壽命,如圖3方框處所示。

圖3 窯口上下方直墻澆注料施工改進
具體施工方案如下:
將窯口山下直墻澆注料的自距離窯口2m處向窯口逐漸加厚,具體厚度參考窯口端熱態膨脹量(170mm)和窯的上下竄動量(30mm)。改造后窯口直墻燒注料最厚處是400mm,向篦冷機側延長150mm,竄口周圍直墻錨固件高度由300mm加大至420mm。
改進后,窯在熱態的情況下和上下竄動中,窯口護鐵下面及直墻始終在周圍澆注料的保護之中,避免了高溫二次風的沖刷和熱輻射,提高了窯口護鐵的使用壽命,冀東集團磐石公司使用這種方案后,窯口護鐵可以使用3年。
由于各公司回轉窯的軸向膨脹量和上下竄動量不一樣,在采用此方案時一定要核實數據,否則此處澆注料打薄了對窯口護鐵下面及直墻起不到保護作用;厚了,窯口下直墻容易掛熟料。
使用效果
公司于2011年1月采用以上3種改進方案, 12月1日停機檢修時,窯口護鐵、窯口澆注料整體性很好,預計還可以再使用一個周期,做到兩年更換一次,為公司每年節省檢修成本18萬元左右。